| Reinhard Weiß - Bauprojekte |
| USBasp AVR-Programmer (Proj. 05/2011) |
|
|
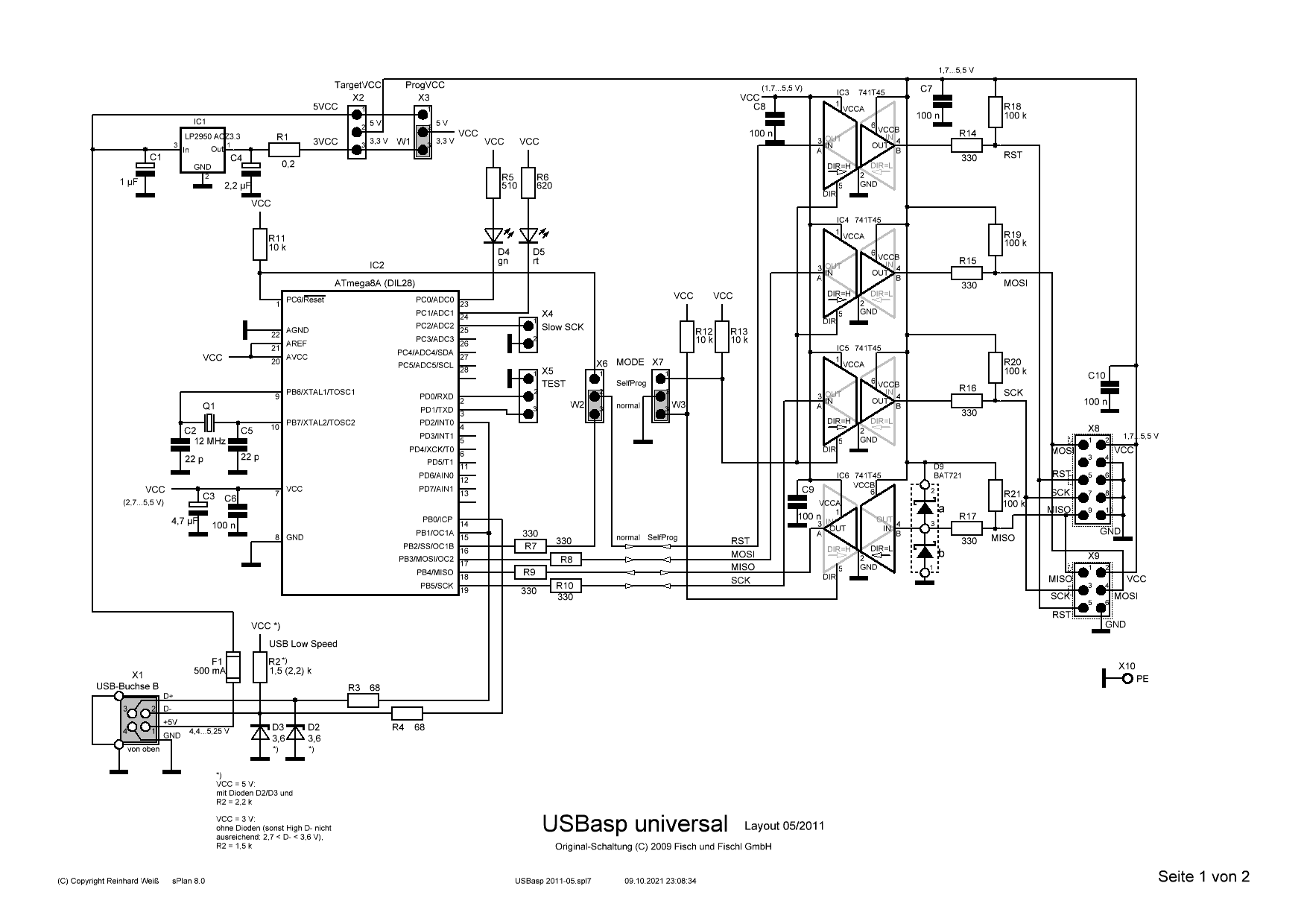
Als einfaches Programmiergerät für AVR-Mikrocomputer über den PC an der USB-Schnittstelle ist die Platine USBasp bekannt, bei dem ein ATmega8 das notwendige USB-Protokoll simuliert. Ich habe mir eine vergleichbare Programmer-Platine auf dieser Basis entwickelt (05/2011), die es erlaubt, dass das Ziel-System mit eigenen Spannungen zwischen 1,7 und 5,5 V arbeitet, wofür ein ultimativer Pegelwandler-IC eingesetzt wird (74LVC1T45), oder auch vom Programmer mit 5 oder 3,3 V gespeist werden kann. Der Prozessor kann wahlweise mit 5 oder 3,3 V betrieben werden, was im letzten Fall die leidigen Z-Dioden überflüssig macht. Als Schnittstelle wird ein 6- und ein 10-poliger Pfostenstecker verwendet. Diese Platine ist aber noch nicht erprobt.

Die von mir realisierte Schaltung ist links dargestellt (Vergrößern mit Klick). Sie basiert auf der Schaltung von (ursprünglich) Fisch & Fischl (https://www.fischl.de/usbasp/), die vor allem um die Schnittstellen-Anpassungen von mir erweitert wurde.
Fisch & Fischl (https://www.fischl.de/usbasp/) hat ein interessantes Projekt für ein Programmiergerät für AVR-Mikrocontroller (Atmel) entwickelt, das zwar die USB-Schnittstelle des PC verwendet, aber keinen speziellen USB-Baustein (wie FT232 etc.) benötigt. Der eingesetzte ATmega8 simuliert hingegen das Protokoll. Offenbar wird nur noch ein generischer Treiber für Windows benötigt. Damit ergibt sich ein ganz einfaches Konzept, das in vielfachen Variationen (hardware- und softwareseits) weltweit genutzt wird, und für das es Teilesätze oder Bausätze zum Kaufen gibt. Bei eBay gibt es eine solche fertige Platine für unter 10 € inkl. Versand, die ich mir auch als Referenz gekauft habe.
Der seinerzeit (2010) von hummingosand auf eBay angebotene Artikel wurde mit dem Titel USB ISP Programmer for ATMEL AVR ATMega ATTiny USBasp beworben. Die Software auf diesem Modul entspricht offenbar dem Original, jedenfalls verlinkte das Angebot auf Fisch & Fischl zum Download, falls benötigt. Die Hardware ist allerdings eine leicht abgespeckte Version des Originals (dessen letzter Stand vom 24.09.2009 ist). Der Jumper zur Selbstprogrammierung ist durch einen unbestückten Widerstand (R8) realisiert, der Jumper Slow SCK fehlt (die SW kann auch selber eine Anpassung vornehmen) und die seriellen Leitungen an den 10-poligen Stecker fehlen (werden normalerweise auch nicht benötigt).
Positiv ist eine zusätzliche Polyswitch-Sicherung (D5) in der 5 V-Leitung, die den angeschlossenen PC vor Überlastung der 5 V schützt. Allerdings enthält die Schaltung des Programmers m.E. einen Design-Fehler. Wie in der Artikelbeschreibung erwähnt, sind Z-Dioden an den USB-Datenleitungen angeschlossen, die die Ausgangsspannung auf ca. 3 V begrenzen sollen, weil anderenfalls USB-Ports am angeschlossenen PC fehlerhaft reagieren könnten. Das ist nötig, weil die Schaltung mit 5 V arbeitet, die CPU-Ports also auch fast 5 V bei High abgeben könnten. Nur sind die Dioden (D3/D4) hier an der falschen Seite angeschlossen, siehe nachfolgenden Ausschnitt aus dem Gesamtstromlauf (beim Klick auf das Bild wird der komplette Stromlauf des gekauften Artikels angezeigt, den ich selber erstellt habe).
Sie liegen nicht direkt am USB-Port (D+/D-, Pin 2+3 des Steckers), sondern am CPU-Port. Das bedeutet, die vorhandenen 68 Ohm-Widerstände (R6/R7) an den CPU-Ports begrenzen den Z-Strom nicht, sondern der stellt sich nur entsprechend dem Innenwiderstand der CPU-Ports ein. Das kann eine Überlastung des Ports bedeuten und erhöht unnötig den Stromverbrauch, ist aber auf jeden Fall eine Abweichung zum Konzept von Fischl. Link zu der Original-Schaltung: www.fischl.de/usbasp/bilder/usbasp_circuit.png
Die Platine ist (möglicherweise) identifizierbar über eine Nummer im Bestückungsdruck: 1004161
Hinweis: Der ursprüngliche Link für Fisch & Fischl ist nicht mehr gültig, den neuen Link habe ich am 09.10.2021 eingefügt. Fisch & Fischl ist jetzt nur noch Fischl: www.fischl.de/usbasp/
(erstellt 05.10.2021, zuletzt geändert 09.10.2021)
|
|
[ Übersicht | SiteMap | Verkäufe Akt. | Verkäufe Hist. | EURACOM | GPS Navigation | M4650CR | M9803R | Back-UPS | Oki C5400 | GS9000 | WebLog | Bauprojekte | Impressum & Kontakt ]
| nach oben | Menü | Home |
© Reinhard Weiß 2021 - letzte Änderung: 12.10.2021 20:18 / 1